English
中文
网站首页
走进博赛
新闻资讯
下属企业
产品展示
人力资源
走进博赛
集团概况
组织架构
发展历程
集团荣誉
高管风采
联系我们
下属企业
重庆市九龙万博新材料科技有限公司
重庆市赛特刚玉有限公司
重庆大朗冶金新材料有限公司
阿坝铝厂
眉山市博眉启明星铝业有限公司
圭亚那铝矿有限公司
圭亚那锰矿有限公司
重庆高峰新材料科技有限公司
重庆科尔科克新材料有限公司
产品展示
铝土矿
氧化铝
高铝熟料
棕刚玉
电解铝
铝材加工
铁合金
煤炭
人力资源
用人理念
招聘信息
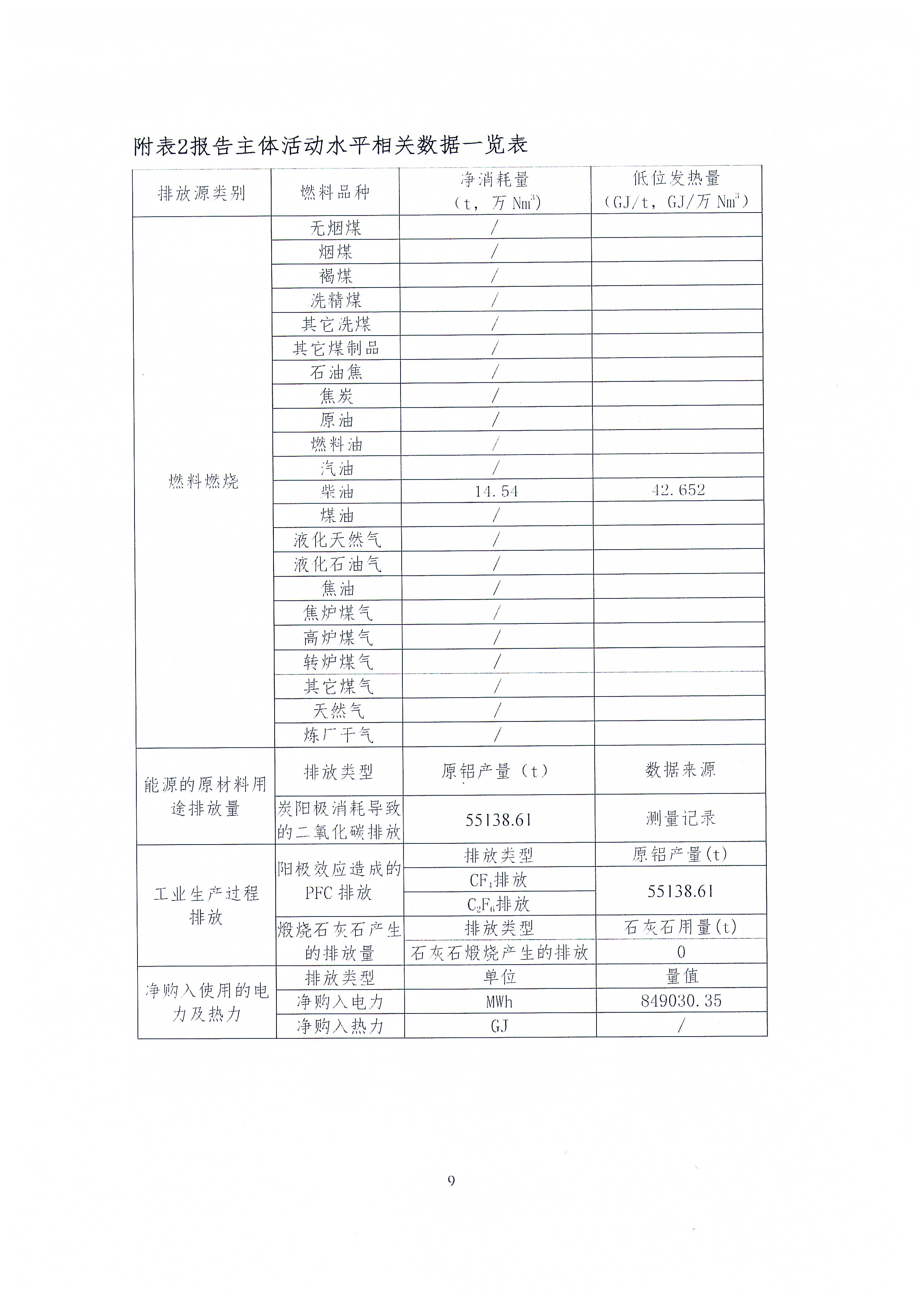
启明星公司2019年温室气体排放报告
博赛矿业
2020-09-21 11:38:47
4362
上一篇:阿坝铝厂 2019年度温室气体排放信息披露书
下一篇:吴家沟赤泥尾矿库扩建工程环境信息公示第一次
返回
版权所有:重庆市博赛矿业(集团)有限公司
京ICP证000000号
渝公网安备50010302000934号